Smart Addressable Fire Alarm System for Office/Building with Fire Alarm Control Panel

Still deciding? Get samples of $ !
Request Sample

Product Description

i

Basic Specifications

Model NO.
FW9000-1L
Alarm Type
Sound and Light Alarm
System Type
Point Control Alarm Detectors
Detector Types
Photoelectric Smoke Style
Installation
Ceiling / Wall Mounted
AC Power
220V
Standby Battery
4*12V/12ah
Display
LCD 128×64 Lattice Graphic
Weight
8kg
Dimensions
420*130*470MM
Production Capacity
50000/Month
HS Code
8531100000
📋

Product Description

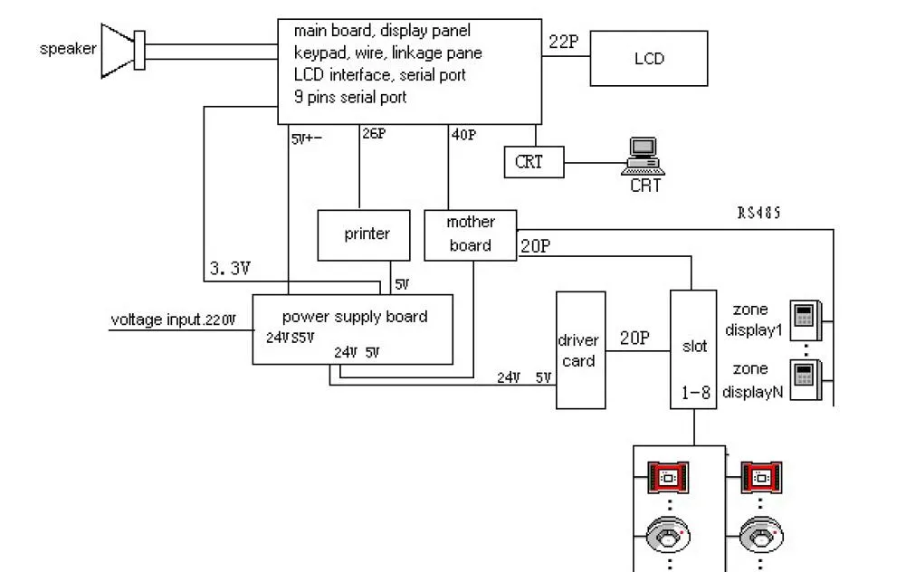
This FACP (Fire Alarm Control Panel) uses two buses mode, monitoring up to 242 control points of every loop. Wall mount design makes it easy to use and operate. It is compatible with a complete range of electronic coding, remote control coding series' intelligent detectors, manual call point, input module, I/O module, etc.

The fire protection system can be divided into controller, detectors, modules and operation terminals. The FACP is combined with main control module, driver board and communication board. The main board is the control center of the FACP, containing the CPU and interfaces to other components. It features an LCD display, indicators, operation keys, 6 direct activation keys, and 24 loop linkage control keys.

The hardware circuit composites of SCM S344BOX, extended with memory chip cards, keypads, LEDs, and printer interfaces. The SCM manages data communication, status analysis, and alarm triggering (sounder/strobe, LED display, printer records, black box log, 485/RS232 communication) via its serial interfaces and loop driving cards.

Main Technical Characteristics
Power Supply: Main Power AC 220VAC (175~245VAC). Standby power configured according to device points.
Operating Environment: Temperature 0ºC ~ +42ºC; Relative humidity ≤95% (Non-condensing).
Capacity: Floor type supports 64 Loops; 242 Control Points per Loop.
Display: High-quality LCD display (Mode: HY-320240).
Wiring Requirement: Recommended UTP RVS2×1.0mm² or RVS2×1.5mm² twisted-pair. For heavy interference, use RVSP2×1.0mm² shielded cable.
Smart Addressable Fire Alarm System for Office/Building with Fire Alarm Control Panel
Smart Addressable Fire Alarm System Components
Fire Alarm Control Panel Detail
?

Frequently Asked Questions

How many control points can this system monitor?
The system supports up to 64 loops, with each loop capable of monitoring up to 242 control points.
What is the required power input for the FW9000-1L?
The main power supply requires 220VAC (with a range of 175VAC to 245VAC). It also supports 4*12V/12ah standby batteries.
What types of detectors are compatible with this panel?
It is compatible with a full range of intelligent detectors, including photoelectric smoke detectors, manual call points, and various I/O modules.
What kind of wiring is recommended for installation?
It is recommended to use UTP RVS2×1.0mm² or 1.5mm² twisted-pair cables. Shielded RVSP cables should be used in high-interference environments.
Can the system record alarm history?
Yes, the system includes a "black box" log and printer interface to record and track all alarm and status information.
Is the control panel suitable for wall mounting?
Yes, the FW9000-1L features a wall-mount design specifically for ease of installation and operation.

Related Products