Smart 4G Mobile Phone Garage Door Access Control System

Still deciding? Get samples of $ !
Order Sample

Product Description

📋

Basic Specifications

Model NO.
WH-120
Working Temp.
-10°C to 60°C
Work Frequency
GSM:850/900/1800/1900MHz
Relative Humidity
10-90%, No Condensation
Communication
GSM Phase2/2+ (Include Data Service)
Size
99*50*31mm
Weight
88g
Working Type
SIM Card / 4G
SIM Card Type
Nano Type, 3V
Antenna
50 Ω SMA
🚀

Product Overview

Product Name: Remote Control Switch for Smart Devices with GSM 4G Access

Category: Advanced Access Control Systems

Main Description: The Remote Control Switch for Smart Devices with GSM 4G Access is the ultimate solution for convenient and secure access control. This groundbreaking device allows you to effortlessly manage gates, doors, and garage doors using a smartphone or any mobile device. With its advanced GSM 4G access capability, you can control access to your property from anywhere in the world via text message or an intuitive app.
Smart 4G Access Control Garage Door System
Model WH-120
OEM Support Yes
Frequency Ranges 4G-EU (EMEA), 4G-AU (Latin America/AUS/NZ), 4G-US (North/Central America), GSM 850/900/1800/1900MHz
🛠️

Key Features & Reliability

Equipped with SIM Card support and automatic control features, this device ensures the seamless operation of your garage door or gate. The state-of-the-art 4G GSM Remote Control Relay Switch offers easy management via mobile phone, providing convenience and efficiency. Whether you need to open your gate remotely or manage property access, this GSM Gate Opener is the ideal choice.

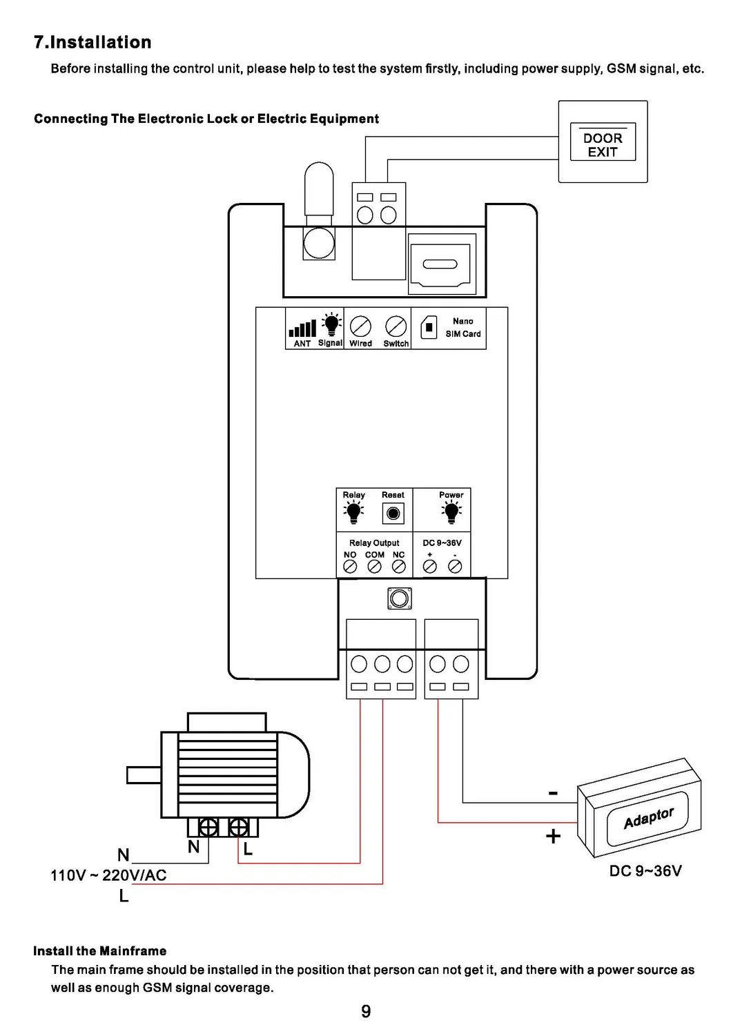
System Diagram
Feature 1 Feature 2 Feature 3
Installation
Detail 1 Detail 2 Detail 3
Packaging Info Technical Specs

Frequently Asked Questions

How does the GSM Gate Opener work?
The device uses a SIM card to connect to 4G/GSM networks. It allows users to trigger a relay switch via SMS or a mobile app, which then opens or closes your gate or garage door from any location.
What types of SIM cards are compatible?
The WH-120 model supports Nano-type SIM cards (3V) and is compatible with both GSM and 4G networks depending on your region.
Can I use this in extreme weather conditions?
Yes, the device is designed to operate in temperatures ranging from -10°C to 60°C and can handle relative humidity up to 90% (non-condensation).
Does this system support 4G networks globally?
Yes, there are specific versions for different regions, including 4G-EU for EMEA, 4G-AU for Australia/New Zealand/Latin America, and 4G-US for North America.
Is professional installation required?
The device is designed for easy installation; however, it involves wiring to your existing door controller, so a basic understanding of electrical circuits or a professional technician is recommended.
Are OEM customizations available for this model?
Yes, the WH-120 model supports OEM services to meet specific branding or functional requirements.

Related Products